Printable Manual For Hitachi Compound Miter Saw C12rsh2 It features Hitachi s revolutionary compact slide system that requires zero clearance and Hitachi s patented laser marker for cutting accuracy Download User Manual Hitachi C12RSH 12 Sliding Dual Compound Miter Saw Service Manuals User Guide Reviews Instruction Manuals and Owners Manuals
Get Adobe Reader Metabo HPT C12RSH2 S Sliding Dual Compound Miter Saw with Laser Marker Specifications Please contact local dealers for product availability and product details Introducing HiKOKI Slide Compound Miter Saw Model C12RSH2
Printable Manual For Hitachi Compound Miter Saw C12rsh2
Printable Manual For Hitachi Compound Miter Saw C12rsh2
https://www.cpooutlets.com/on/demandware.static/-/Sites-cpo-master-catalog/default/dwf42e1ec9/product_media/hit/hitnc12rsh/images/xlarge/hitnc12rsh.jpg
The saw also features tall sliding fences that allow for cutting much larger material while easily sliding out of the way when making bevel cuts The easily adjustable tool less laser marker allows even the most novice user to make perfect accurate cuts Covered by Hitachi s professional 5 year warranty
Templates are pre-designed documents or files that can be utilized for different purposes. They can conserve time and effort by offering a ready-made format and design for creating various kinds of content. Templates can be utilized for individual or professional tasks, such as resumes, invitations, flyers, newsletters, reports, presentations, and more.
Printable Manual For Hitachi Compound Miter Saw C12rsh2

Hitachi C12RSH2 Miter Saw Review Is It Worth The Money

Hitachi C12RSH2 15A 12 Dual Bevel Compound Miter Saw W Laser Finish

Hitachi C12RSH2 12 Sliding Dual Compound Miter Saw With Laser Marker

Hitachi C12RSH2 Compound Miter Saw Review Best Power Hand Tools

Hitachi C12RSH2 15 Amp 12 Inch Dual Bevel Sliding Compound Miter Saw

Hitachi C12RSH Miter Saw Just Got Better Meet The Hitachi C12RSH2

https://www.manualslib.com/manual/1229573/Hitachi-C-12rsh2.html
Saw Hitachi C 12LDH Safety Instructions And Instruction Manual Compound miter saw 88 pages Saw Hitachi C 12LDH Instruction Manual Miter 80 pages Saw Hitachi C 12LDH Technical Data And Service Manual Compound miter saw 76 pages Saw Hitachi C 12LCH Safety Instructions And Instruction Manual

https://www.manualslib.com/products/Hitachi-C-12rsh-10009458.html
Manuals and User Guides for Hitachi C 12RSH We have 8 Hitachi C 12RSH manuals available for free PDF download Safety Instructions And Instruction Manual Handling Instructions Manual Technical Data And Service Manual Instruction Manual

https://manualmachine.com/hitachi/c12rsh/1258149-user-manual
Hitachi C 12RSH C 12LSH User Manual Slide Compound Miter Saw Model C 12LSH C 12RSH Handling instructions Note Before using this Electric Power Tool carefully read through these HANDLING INSTRUCTIONS to ensure efficient safe operation

https://www.metabo-hpt.com/docs/default-source/default-docum…
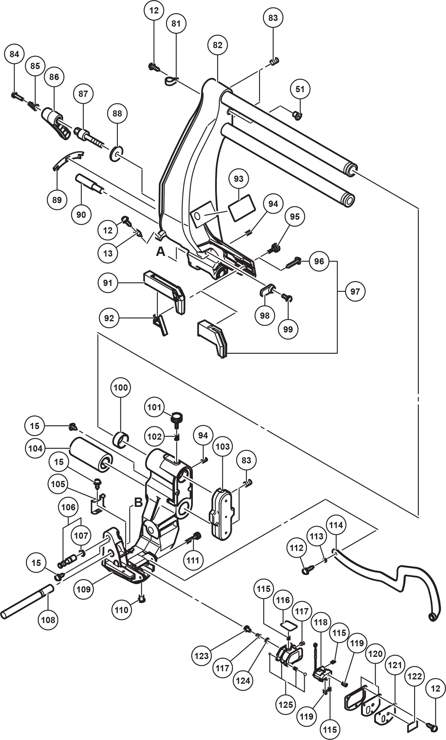
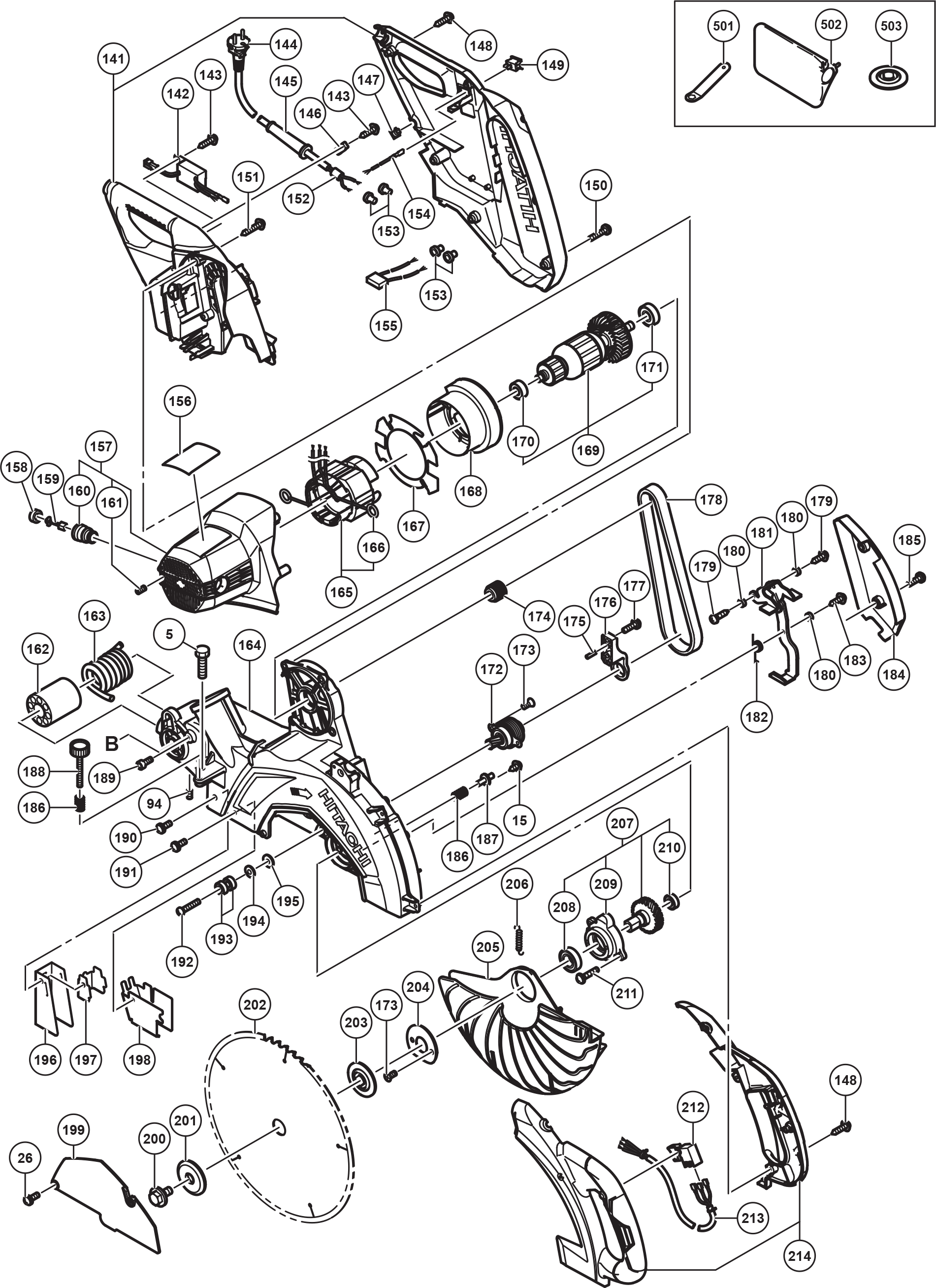
USED ITEM NO C 12RSH2 DESCRIPTION REMARKS 174 324443 PULLEY A 1 175 983545 NEEDLE ROLLER 2 176 325259 BEARING HOLDER B 1 177 995096MACHINE SCREW W WASHERS M5 X 20 BLACK 2 178 324427 BELT 200H10 16 X 508 1 179 307811TAPPING SCREW W FLANGE D4 X 16 BLACK 2FOR

https://www.hikoki-powertools.com/manual_view_export/pdf/C9…
00000Book C12RSH2 indb 10000Book C12RSH2 indb 10 22017 12 01 14 26 54017 12 01 14 26 54 11 Gloves for handling saw blades saw blades shall be Never use the slide compound miter saw with its lower guard locked in the open position 18 Ensure that the lower guard moves smoothly 19 Do not use the saw without guards in position in good
The C12RSH2 is the top of the line 12 Sliding Dual Compound miter saw ideal for trim carpenters framers and woodworkers who demand precision and reliability It is equipped with a compact slide system that requires zero clearance C12lsh compound miter saw read user manual online or download in PDF format Pages in total 42
Following pdf manuals are available Hitachi c12lsh compound miter saw User Manual